Van một chiều cánh bướm là loại van dùng để bảo vệ chống lại dòng chảy ngược, chỉ cho dòng chảy đi qua theo một hướng duy nhất và ngăn không cho dòng chảy theo chiều ngược lại. Van vận hành hoàn toàn tự động dựa vào lực chảy của dòng nước. Van được kết nối vào hệ thống dạng kẹp.

Cấu tạo:
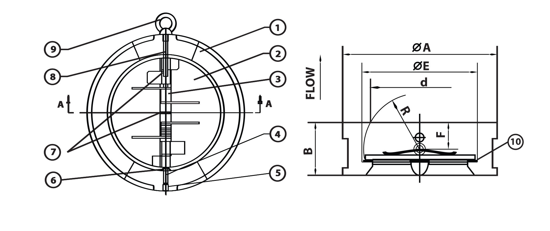
Van một chiều cánh bướm được cấu tạo bởi 03 thành phần chính là thân van, lá van dạng cánh bướm và lò xo:
- Thân van: được đúc từ gang cầu FCD450, hai mặt được phủ bởi lớp sơn epoxy cao cấp với độ dày ≥300 μm
- Lá van: gồm 02 nữa dạng cánh bướm được sản xuất từ Inox CF8/CF8M, phù hợp với cả môi trường nước sạch và nước thải
- Lò xo: được lồng vào trục giữ lá van, sản xuất từ Inox 304/316, độ bền cao, chống rỉ sét

Nguyên lý hoạt động:
Khi không có dòng chất lỏng chảy qua van, lá van dưới tác dụng của lực đẩy lò xo được giữ chặt ở ví trí “Đóng”. Khi xuất hiện dòng chảy đến van, dưới tác động của áp lực dòng chảy, 02 cánh lá van bị đẩy khỏi vị trí đóng và cho phép dòng chảy đi qua van. Khi dòng chảy ngừng lại, lá van chiệu áp lực của dòng chảy ngược và lực lò xo sẽ quay về vị trí đóng, ngăn cản dòng nước chảy ngược về hướng cửa vào của van. Như vậy sự hoạt động của van một chiều hoàn toàn tự động dưới tác động của dòng chất lỏng.
Ưu điểm:
- Vận hành tự động dựa vào lực chảy của dòng nước.
- Van được sản xuất từ gang cầu FCD450, Inox 304/316 chống rỉ sét, an toàn cho nguồn nước sạch.
- Giá thành rẻ, trọng lượng van nhẹ, thiết kế gọn, ít tốn diện tích khi lắp đặt.

Lưu ý khi lắp đặt:
Van một chiều cánh bướm được lắp đặt vào hệ thống dạng kẹp nên khi lắp đặt cần lưu ý một số điểm sau:
- Lắp van đúng chiều mở của lá van.
- Khoảng cách giữa hai mặt bích phải vừa đủ để lắp đặt van.
- Không dùng miếng đệm giữa mặt bích và van.
- Kích thước mặt bích của đường ống phải đồng nhất với kích thước của van.
- Van có thể lắp linh động theo phương thẳng đứng hoặc phương ngang tùy nhu cầu sử dụng.

