Van Bướm là loại van dùng để đóng hoặc mở dòng chảy trong đường ống bằng một lá van dạng đĩa được gắn cố định vào ty van ép chặt vào vòng đệm cao su được đúc sẵn trong thân van.
Van Bướm mặt bích là loại van bướm vận hành bằng tay quay qua hộp số, kết nối với đường ống dạng mặt bích, thường dùng cho các kích thước từ DN350 trở lên.

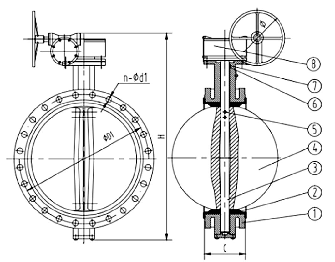
Cấu tạo:
Van bướm mặt bích được cấu tạo bởi 05 thành phần chính: Thân van, Vòng đệm, lá van (đĩa van), ty van và hộp số tay quay
- Thân van: được đúc từ gang cầu FCD450, hai mặt được phủ bởi lớp sơn epoxy cao cấp với độ dày ≥300 μm.
- Vòng đệm: Sản xuất từ cao su EPDM độ bền cao, được đúc sẵn cố định vào thân van, phù hợp với tiêu chuẩn nước sạch. Khả năng đàn hồi của vòng đệm là yếu tố làm tăng độ kín của van.
- Lá van: dạng đĩa tròn được sản xuất từ Inox CF8/CF8M, phù hợp với cả môi trường nước sạch và nước thải.
- Ty van: sản xuất từ Inox 304/316/420, gồm hai phần trên và dưới được gắn cố định vào lá van đối xứng nhau theo chiều thẳng đứng.
- Hộp số tay quay: được sản xuất từ thép không rỉ, gắn cố định vào thân trên của van bằng bu lông và đai ốc, có gắn một tay quay dạng vô lăng giúp vận hành nhẹ nhàng khi đóng mở.
Nguyên lý hoạt động:
- Khi van được đóng kín (góc mở lá van 0°) lá van sẽ ngăn chặn hoàn toàn dòng chảy trong đường ống và khi van được mở hoàn toàn (góc mở lá van 90°) lá van sẽ nằm song song với dòng chảy, lưu lượng dòng chảy trong đường ống là lớn nhất.
- Ngoài ra chúng ta có thể mở lá van theo các góc mở khác nhau để điều tiết lưu lượng dòng chảy tuy nhiên nhà sản xuất khuyến cáo việc mở lá van dưới 90° sẽ làm giảm tuổi thọ của van.
Ưu điểm:
- Vận hành đóng mở nhẹ nhàng bằng tay quay chỉ thông qua lực vặn của tay người.
- Van được sản xuất từ gang cầu FCD450, Inox CF8/CF8M, cao su EPDM cho độ bền cao, chống rỉ sét, an toàn cho nguồn nước sạch.
- Giá thành rẻ, trọng lượng van nhẹ, thiết kế gọn, ít tốn diện tích khi lắp đặt.
Lưu ý khi lắp đặt:
Van bướm mặt bích được lắp đặt vào hệ thống dạng nối bích nên khi lắp đặt cần lưu ý một số điểm sau:
- Mở lá van bướm ở góc mở khoảng 1/4 trước khi lắp đặt để tránh biến dạng vòng đệm cao su khi siết quá chặt, có thể gây kẹt lá van hoặc rò rỉ nước.
- có thể dùng miếng đệm giữa mặt bích ống và van để tăng độ kín hệ thống.
- Kích thước mặt bích ống phải đồng nhất với kích thước mặt bích van.
- Van có thể lắp linh động theo phương thẳng đứng hoặc phương ngang tùy nhu cầu sử dụng.

